Bâches alimentaires atmosphériques pour chaufferies

Sur demande, possibilité d’étudier une bâche dégazante ou un dégazeur thermique

UN ELEMENT Important

L’importance de la bâche alimentaire dans une chaufferie est souvent sous estimée. Ci-dessous vous trouverez certaines des fonctions de la bâche alimentaire :

  • comme réservoir d’eau pour équilibrer le débit d’eau d’alimentation de la chaudière entre les retours de condensats et l’eau d’appoint traitée,
  • comme élément de stockage thermique des calories provenant des condensats recyclés et des systèmes de récupération de chaleur,
  • comme un préparateur de l’eau d’alimentation de la chaudière.

La bâche alimentaire doit constituer une réserve d’eau suffisante pour prévenir l’interruption de l’approvisionnement d’eau de la chaîne de traitement.
Le retour des condensats à la bâche constitue l’une des économie d’énergie potentielle la plus importante à réaliser dans une chaufferie. Le condensat retourné est pour ainsi dire de l’eau pure ; cela économise donc non seulement les coûts de l’eau mais également du traitement chimique, et réduit les pertes associées à la purge de la chaudière.

Une des causes principales de corrosion des corps de chauffe, des tubulures vapeur et condensats est la présence d’oxygène dissous dans l’eau d’alimentation. Il est essentiel d’ôter cet oxygène avant d’entrer dans la chaudière pour éviter une corrosion rapide. Si la température de l’eau d’alimentation est augmentée, le taux d’oxygène dissous en sera diminué. La quantité de vapeur produite augmentera en utilisant de l’eau d’alimentation à température plus élevée.

NOS BACHES ALIMENTAIRES STANDARDS

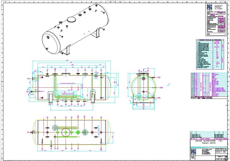
Nos bâches alimentaires sont des réservoirs en forme cylindrique horizontale ou verticale, réalisées en tôle d’acier au carbone ou inoxydable d’au moins 4 mm d’épaisseur. Elle sont montées en option sur socles en acier et livrées en standard avec le robinet à flotteur pour la régulation de niveau et le couvercle amovible. Chaque bâche à eau est équipée des piquages suivants :

  • arrivée d’eau et vidange,
  • trop plein et évent,
  • retour de condensats,
  • sortie (vers générateur de vapeur).

Les capacités de nos bâches standards : 100 litres à 10000 litres

FORMAT DE NOS BACHES

  • conception sur demande
  • rectangulaires,
  • cylindriques,
  • horizontales ou verticales.

OPTIONS POUR BACHES ALIMENTAIRES

  • indicateur de niveau visuel,
  • diffuseur de retour de condensats,
  • régulation de niveau par sondes résistives et vanne électromagnétique,
  • serpentin pour récupération de purge continue,
  • système de préchauffage de l’eau d’alimentation par injection de la vapeur,
  • sonde résistive de sécurité de manque d’eau (protection supplémentaire du générateur de vapeur et de sa pompe alimentaire),
  • thermomètre,
    etc…